Quadco 2" Hot Saw Cutter Tooth (Beaver) QH10150T
Quadco 2" Hot Saw Cutter Tooth (Beaver) QH10150T
Quadco 2" Hot Saw Cutter Tooth (Beaver) QH10150T
Quadco 2" Hot Saw Cutter Tooth (Beaver) QH10150T
Item # QH10150T

Quadco 2" Hot Saw Cutter Tooth (Beaver) QH10150T

$32.99
In Stock
Quadco saw teeth have become the industry standard around the world. Quadco saw teeth are made from high grade alloy steel, heat treated to the highest rockwell rating on the market without becoming brittle. The beaver saw tooth design, with its straight edges is much more durable than the standard concave tooth. The single piece beaver tooth is the best design for cutting in conditions where you may impact rocks and gravel, and they will hold up much better than their concave or carbide counterparts, however they will wear or break just like any hardened steel product if impacted hard enough. This is a single piece saw tooth, so the shank is built into the tooth.
Quadco Saw Teeth are only available in the U.S.A.

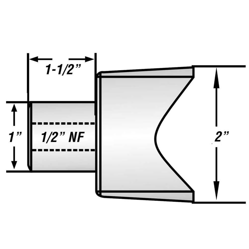
    Tooth Type Beaver (Single Piece)
    Tooth Kerf 2" (50.8mm)
    Shank Diameter 1" (25.4mm)
    Shank Length 1-1/2" (38.1mm)
    Bolt Diameter 1/2" (NF Thread)
    Thread Length 1" (NF Thread)

    Tooth Type Beaver (Single Piece)
    Tooth Kerf 2" (50.8mm)
    Shank Diameter 1" (25.4mm)
    Shank Length 1-1/2" (38.1mm)
    Bolt Diameter 1/2" (NF Thread)
    Thread Length 1" (NF Thread)

Subscribe to our newsletter now for the latest news and special offers